91视频污官方下载,91视频精选,免费91视频软件,91视频免费破解版

      您好,欢迎访问淄博91视频污官方下载水处理设备有限公司~
      联系91视频污官方下载

      河南除二氧化碳器



      除二氧化碳器制作和构成

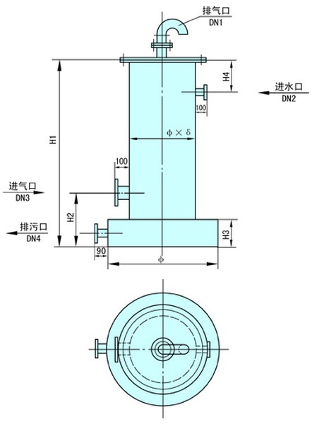
      脱气塔由进水装置,填料,风机,水箱组成,进水装置一般采用母支管布水,材质根据不同的需要可以选用304绕丝管和316绕丝管,填料选用多面空心球,根据水质不同可以选用陶瓷和塑料两种,他主要是起到加大水的表面积,使二氧化碳较好的被吹脱、风机主要是提供风源,从而对水的二氧化碳进行吹脱、储水箱使处理后的水储存,可以通过增压泵打到后续的设备中,除碳器工作时,水从上部进入,经配水装置淋下,通过填料层后,从下部排入水箱,而风机的提供的风向是逆向的,即从下向上进行吹脱,通过填料层后,由顶部排出。其原理所以当鼓入除碳器的空气流和除碳水相接触时,水中CO2便会被空气流带出。





      tags:河南除二氧化碳器厂家,河南除二氧化碳器价格,河南除二氧化碳器批发
      点击次数:   更新时间:20/04/20 17:15:04   【打印此页】   【关闭【返回上一页】
      联系91视频污官方下载

      淄博91视频污官方下载水处理设备有限公司
      联系人:王经理  
      手机:18653361868 /18853329868  
      电话:0533-6823296    
      传真:0533-6800776   
      QQ : 1075901862   
      Email:shengda6823296@163.com 
      地址:淄博市周村区南郊镇永和村工业园(兴鲁大道南首)
      91视频污官方下载水处理
      网站地图